Elegant MS1 Czujnik ruchu zbliżeniowy laserowy czarny do cyfrowych
Czujnik zbliżeniowy - laserowy MS1 - kolor czarny (polecany do sterowników cyfrowych z naszej oferty)
- produkt polskiej produkcji - wysoka jakość i markowe komponenty, gwarantują bezawaryjną pracę i precyzję działania
- estetyczny front czujnika wykonany z blachy malowanej proszkowo
- szybki i wygodny montaż w puszce FI60 bez użycia śrub - sprężynujące blaszki montażowe
- regulacja zasięgu działania od 30cm do 140cm
UWAGA - na tej aukcji kupujesz czujnik sygnałowy - do sterowników cyfrowych. Do taśm analogowych czujniki są dostępne na pozostałych aukcjach.
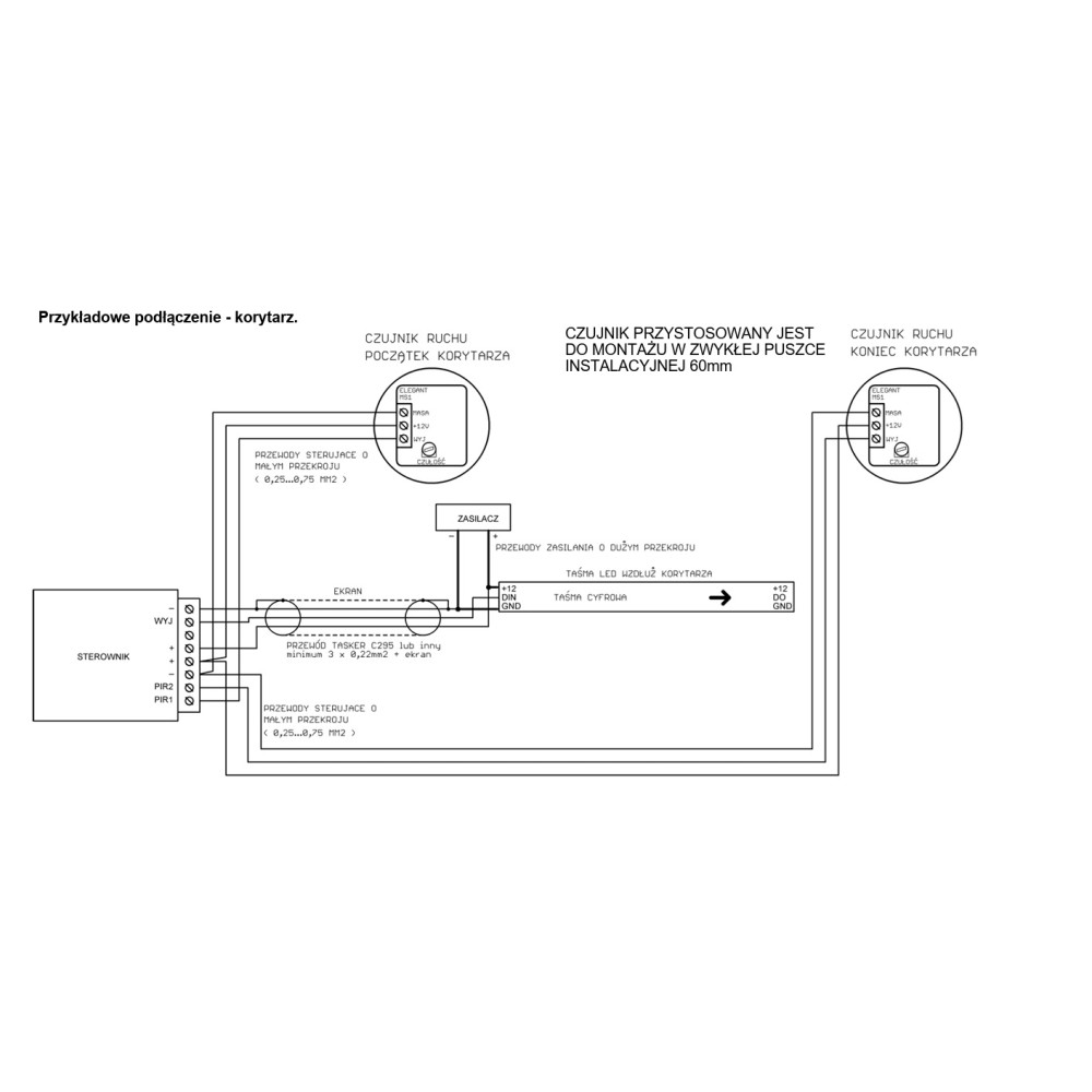
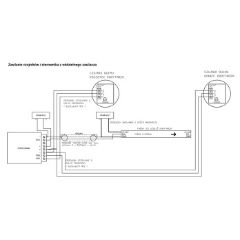
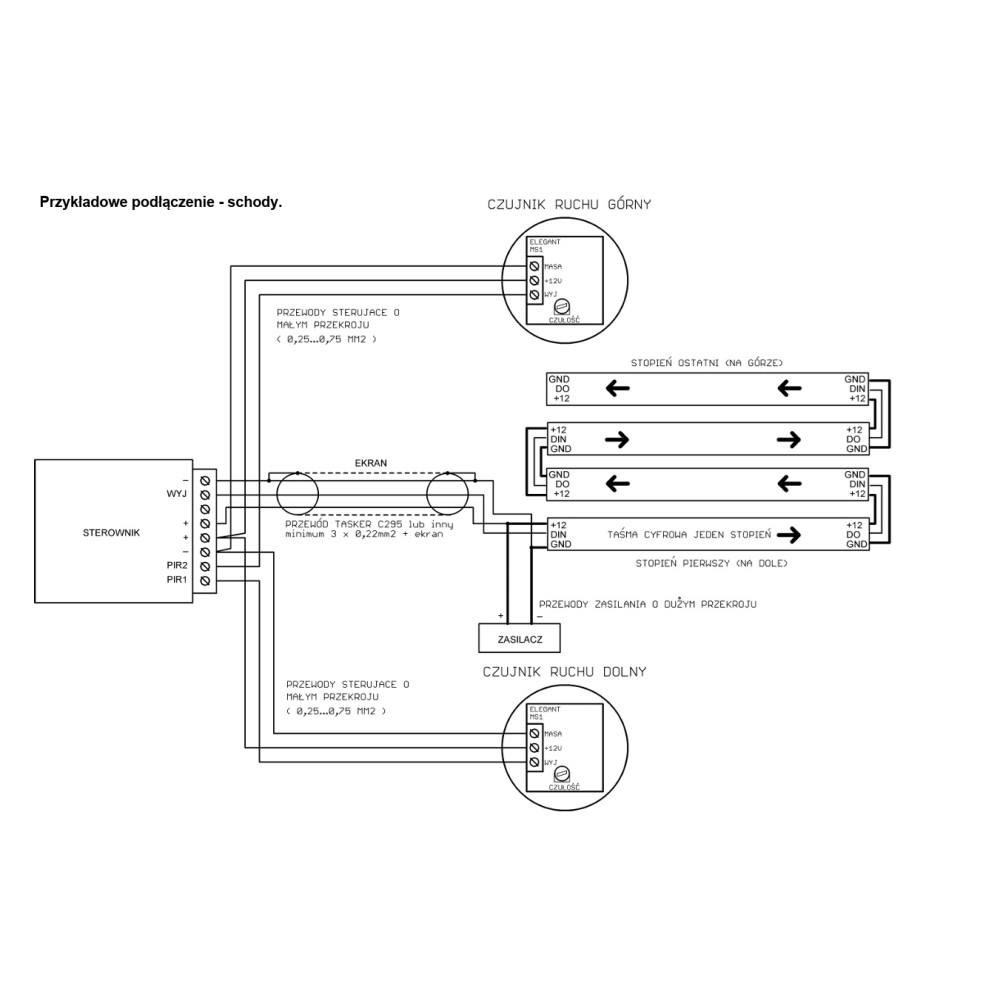
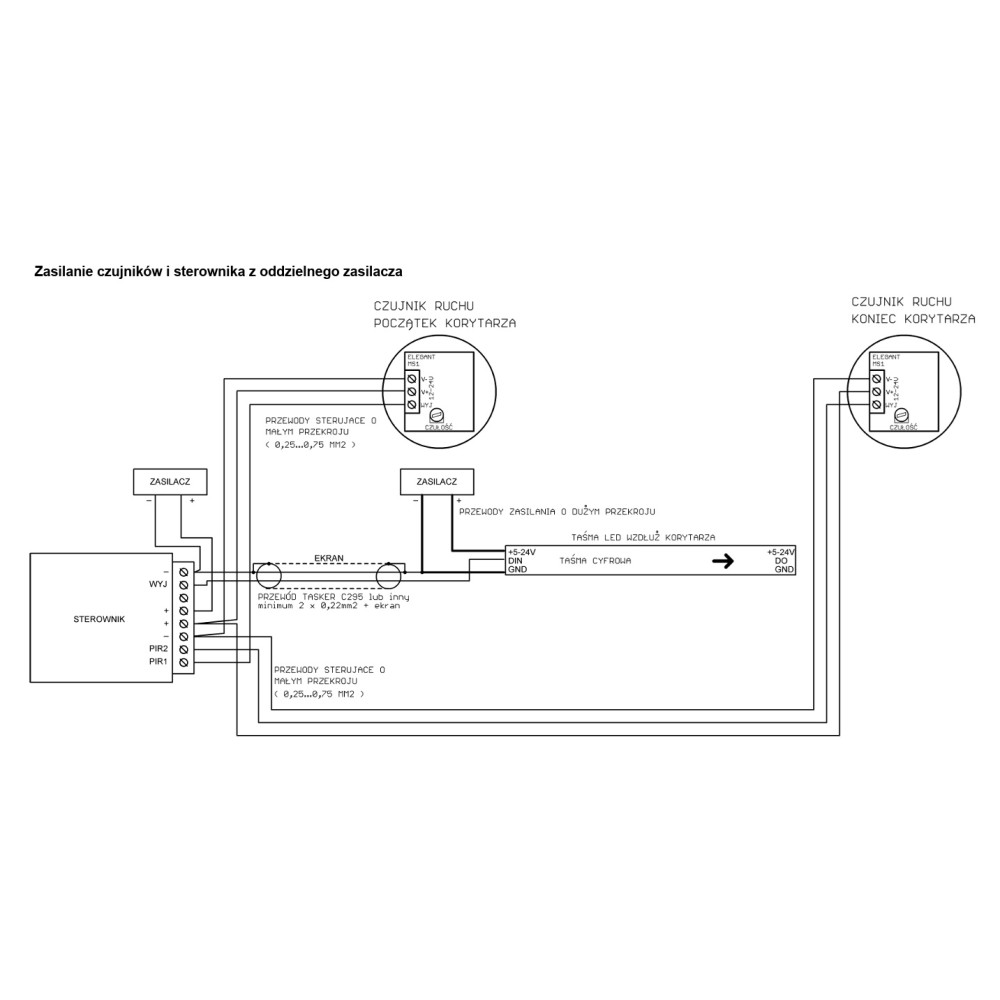
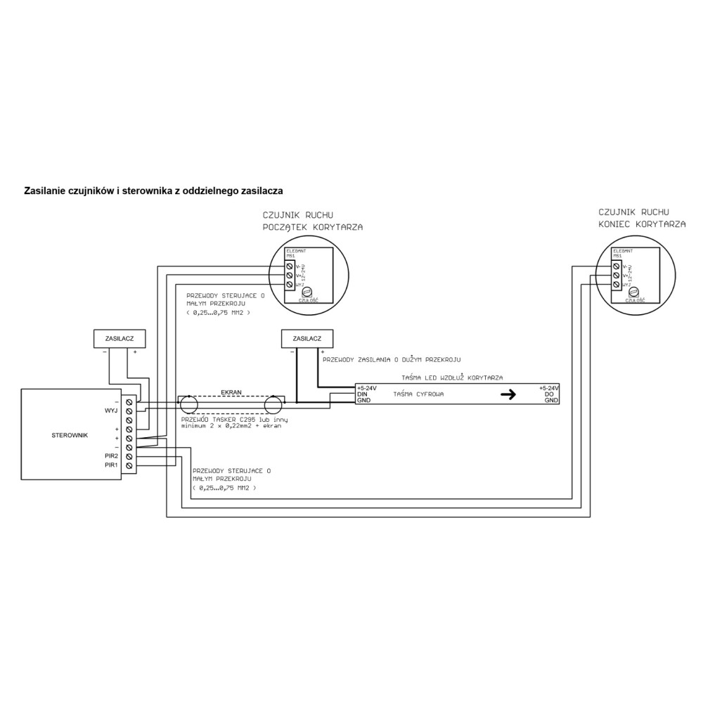
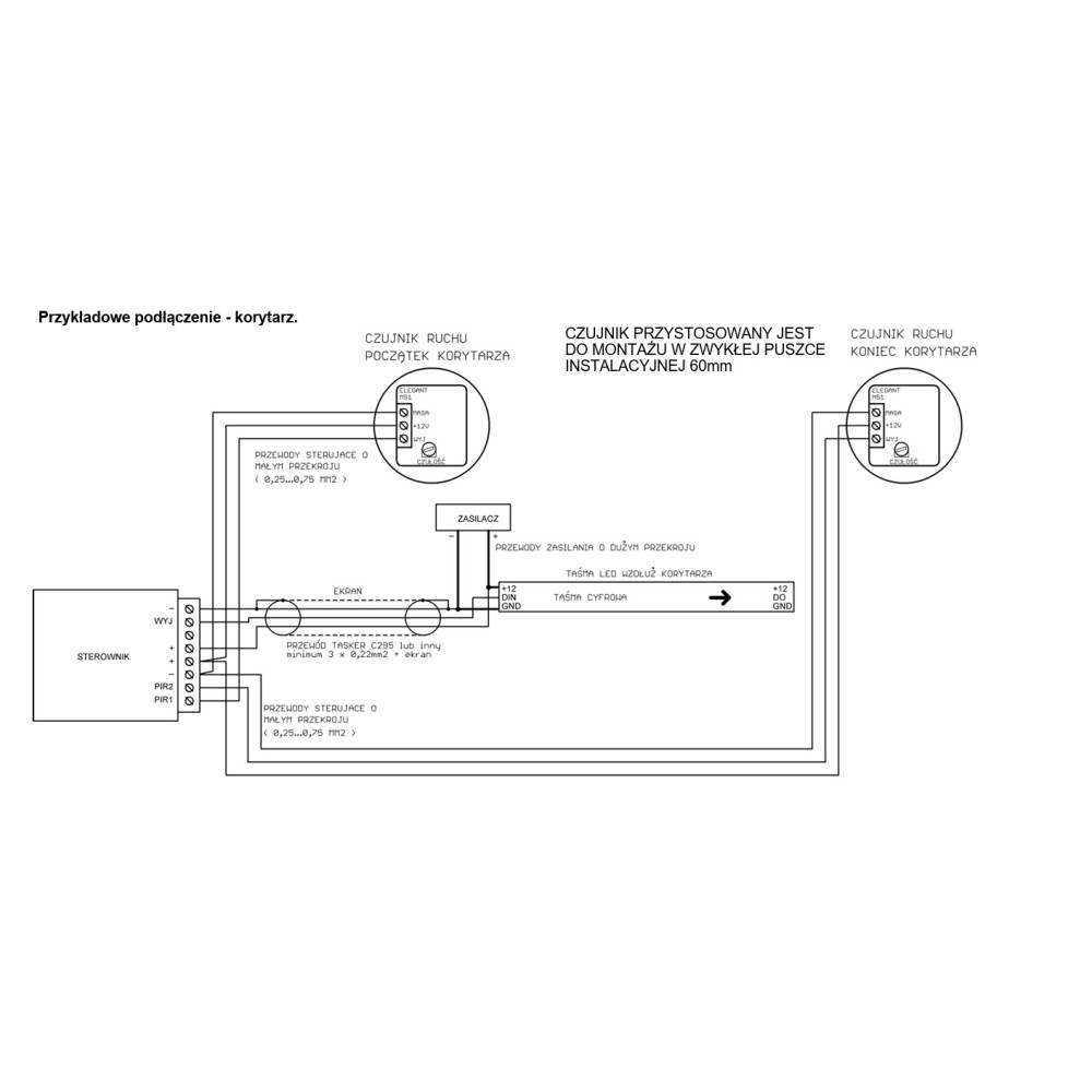
Czujnik przystosowany jest do wykrywania osoby wchodzącej na schody bądź przechodzącej korytarzem. Wykorzystuje sensor odbiciowy firmy Sharp, dzięki czemu jego działanie jest niezawodne i precyzyjne. Czujnik posiada regulację czułości zadziałania (odległości na jaką ma reagować). Czujnik emituje niewidzialną wiązkę, której przecięcie powoduje jego zadziałanie. Nie są wymagane jakiekolwiek lusterka naprzeciwko czujnika. Wykrywane są obiekty jedynie na wprost (wąski kąt). Wyjście czujnika jest typu otwarty kolektor, stan niski jest stanem aktywnym. To znaczy, że na wyjściu pojawia się masa, kiedy czujnik wykryje obiekt. Zaświeci się jednocześnie czerwona dioda z przodu czujnika. Nie wolno zwierać wyjścia czujnika do plusa zasilania. Czujnik występuje w wersji białej, czarnej lub ciemno grafitowej.

Regulacja odległości działania.
Za pomocą małego płaskiego śrubokręta obracać delikatnie potencjometrem opisanym "DYSTANS" z tyłu urządzenia. Kręcąc w prawo zwiększamy czułość - czujnik będzie wykrywał obiekty z większej odległości. Uwaga - ustawienie za dużej czułości może powodować ciągłe wyzwalanie włącznika.
Montaż i demontaż produktu w puszce podtynkowej
Produkt wyposażony jest w sprężynujące blaszki, dzięki którym możliwy jest prosty montaż bez użycia narzędzi. Wystarczy wsunąć czujnik do puszki podtynkowej aby znajdujące się po bokach blaszki zablokowały urządzenie w puszce. Jeśli chcemy wyjąć urządzenie, musimy najpierw przesunąć je w bok tak aby docisnąć jedną z blaszek, a następnie odchylić jak zostało pokazane na rysunku.




⇒ ⇒Instrukcja Czujnik zbliżeniowy Elegant MS1 ⇐ ⇐
|
Napięcie zasilania |
12-24V |
|
Wymiary średnica x głębokość (mm) |
75 x 35mm |
|
maksymalna odległość wykrywanych obiektów |
140cm |
|
minimalna odległość wykrywanych obiektów |
30cm |
|
kąt wykrywanych obiektów
|
tylko obiekty na wprost czujnika |
|
Rodzaj frontu |
metalowy , malowany proszkowo w kolorze ciemny grafit |
|
Obciążalność |
50mA |
|
Temperatura otoczenia |
od +1°C do +40°C |
|
Wilgotność względna |
od 30% do 75% |
Czujnik MS1 współpracuje z następującymi produktami:
-sterownikami schodowo-korytarzowymi: F20A, F22S, F22TA, F24, F24T, F25, F220, F420, F40
-sterownikami korytarzowymi: F26, F27, F28S, F28T, F29, F29T, F46
-sterownikami sekwencyjnymi: F106, F107, F108S, F108T, F109, F109T
Polecam ten sklep zwłaszcza ze względu na niezwykle wysoki poziom profesjonalizmu. Listwy i taśmy ledowe zakupione u Pana Artura efektywnie, a zarazem subtelnie i praktycznie podkreśliły wszystkie atuty mieszkania. Jako klient zostałem obsłużony kompleksowo, bez konieczności zamawiania komponentów w innych sklepach.\nPan Artur każdy element dobiera indywidualnie, celnie podpowiada i zwraca uwagę na detale. Dlatego bez wahania zasługuje na najlepszą możliwą opinię.