8m zestaw schodowy-korytarzowy RGB 12V
KOMPLETNY ZESTAW SCHODOWY-KORYTARZOWY ZAWIERA:
- 2 x czujnik ruchu FS1 (kolor biały lub czarny - prosimy podać kolor przy składaniu zamówienia),
- pilot do konfiguracji + uchwyt ścienny na pilota,
W z e s t a w i e t a n i e j ! !
Przedmiotem sprzedaży jest kompletny zestaw schodowo-korytarzowy. Dzięki wykorzystaniu sterownika schodowo-korytarzowego
polskiej produkcji i taśmy cyfrowej uzyskają Państwo w prosty sposób bardzo efektowne animowane podświetlenie stopni schodów,
korytarza czy klatki schodowej. Stawiamy na wysokiej jakości produkty, dlatego też uzyskany efekt podświetlenia wzbudzi zachwyt.
STAWIAMY NA WYSOKIEJ JAKOŚCI PRODUKTY
ZAPEWNIANY DORADZCTWO I WSPARCIE W DOBORZE PRODUKTÓW
Efekt oferowanych produktów mogą Państwo zobaczyć na poniższym filime
⇓ ⇓ ⇓
| Taśma LED cyfrowa WS2811 RGB 12V 60d/m |


Taśmy cyfrowe to najnowsze osiągnięcie w dziedzinie oświetlenia LED.
Dzięki zastosowaniu mikroprocesorów sterujących, każda sekcja na taśmie LED może być sterowana zupełnie niezależnie.
Dzięki temu możemy uzyskać niespotykane dotąd programy dynamiczne, statyczne, płynące kolory, przechodzenie barw, animacje oraz
wiele innych możliwości.
Zastosowanie taśm cyfrowych jest wręcz nieograniczone, a my posiadamy niezbędną wiedzę, oraz zaplecze techniczne, które pozwala
dopasować nasz produkt do Państwa potrzeb. Na bazie taśm cyfrowych oraz modułów można stworzyć np. tablice, zabudowy, matryce
Led w obudowie z poliwęglanu lub plexi.
Nasz produkt doskonale sprawdzi się zarówno w domu, jak i lokalach gastronomicznych, salach weselnych, dyskotekach, klubach,
sklepach i innych.
Parametry taśmy cyfrowej LED WS2811
- taśma w rolkach o długości 5m
- procesor sterujący WS2811
- barwa światła RGB - cyfrowa, możliwość uzyskania każdej barwy z palety tęczy + regulacja barwy białej CCT (ciepły, neutralny,
zimny) - uzyskiwana z diody RGB
- napięcie 12V
- ilość diod na mb 60d/m
- szerokość taśmy 10mm
- typ diody 5050
- możliwość cięcia co 3 diody / 5cm
- klasa szczelności IP20
- jakość profesjonalna
- strumień świetlny 1100 lm/m
- kąt świecenia 120º
- podłoże białe PCB, warstwa samoprzylepna 3M 300LSE
- trwałość ok. 50 000 godzin
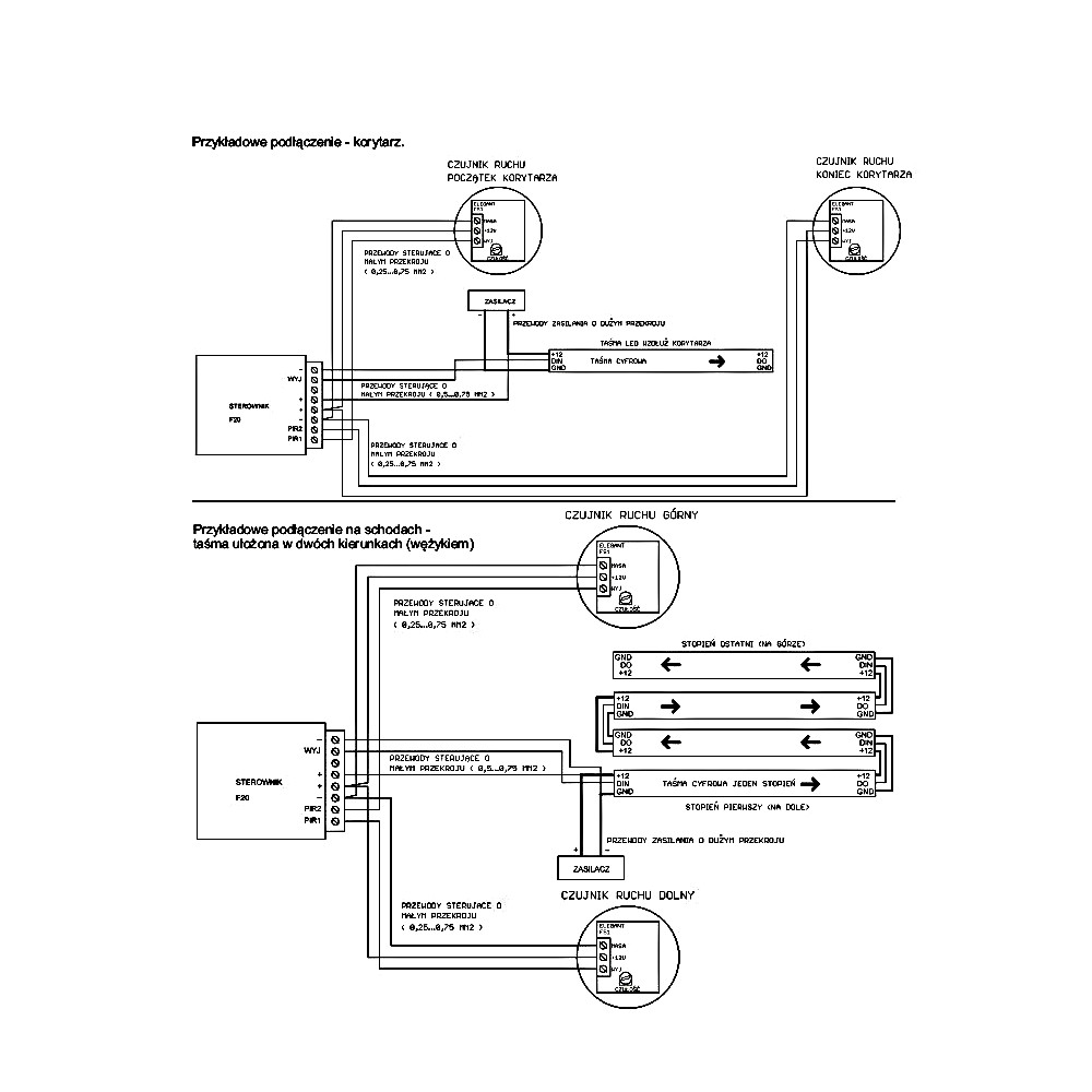
| Sterownik schodowo-korytarzowy |
posiada wiele efektów dynamicznych (płynące kolory, tęcze, rozwijane/zwijane schodki itp.) oraz statycznych (możemy uzyskać efekt
pojedynczo zapalających się stopni). W zestawie ze sterownikiem znajdują się dwie czujki ruchu FS1, które zamiennie
włączają/wyłączają oświetlenie.
Główne zalety sterownika schodowo-korytarzowego F20 to bardzo łatwy montaż (taśma cyfrowa połączona w szeregu + dwie czujki
podłączone do sterownika) oraz bardzo przyjazna konfiguracja za pomocą dotykowego pilota (ustawiamy szerokość oraz ilość stopni,
wybieramy program dynamiczny/statyczny, prędkość, czas działania, kolor, natężenie oświetlenia).
Parametry sterownika schodowo-korytarzowego F20
- Wymiary: 60 x 84 x 30 mm
- Napięcie zasilania: 5...24V
- Funkcja animowanego podświetlania schodów (rozwijające się stopnie)
- Funkcja animowanego podświetlania korytarzy (rozwijająca się linia)
- obsługa 1000 pikseli RGB (50 metrów taśmy cyfrowej 12V 60diod/metr)
- dostępna wersja dla taśm cyfrowych RGBW
- współpracuje z czujnikami ruchu
- animacja odtwarzana jest zgodnie z kierunkiem poruszania się osoby
- funkcja stałego podświetlenia przy braku ruchu osób
- sterowanie pilotem
- częstotliwość pracy pilota: 2.4GHz, zasilany bateriami 2 x AAA
Odbiciowy czujnik ruchu FS1 (2 szt. w zestawie ze sterownikiem)
- wykrywa osoby wchodzące na schody bądź przechodzące korytarzem
- czujnik wykorzystuje niezawodny sensor odbiciowy firmy Sharp
- regulacja czułości zadziałania (odległości na jaką ma reagować)
- lepsze działanie niż popularny sensor PIR
- napięcie zasilania: 12V
- przystosowany do montażu w puszce instalacyjnej 60mm (na wkręty)
| Zasilacz modułowy Mean Well LRS-150-12 |

Impulsowy zasilacz modułowy marki Mean Well LRS 12 V 150 W znakomicie sprawdza się podczas zasilania zarówno różnych
produktów LEDowych - taśm LED, modułów LED, żarówek LED, sterowników, kontrolerów, jak i innych urządzeń elektronicznych
zasilanych poprzez napięcie 12 V.
Zasilacz wyposażony jest w zabezpieczenia zwarciowe, przeciążeniowe oraz przeciw wzrostowi napięcia. Posiada niezbędne certyfikaty CE
i ROHS. Może pracować w temperaturze do 50°C. Wyjątkowa precyzja wykonania i najlepsze materiały sprawiają, że zasilacz będzie
pracował bezawaryjnie przez długi czas. Dzięki temu zasilaczowi z łatwością sprawisz, że
Twoje urządzenia LED będą zasilane w odpowiedni sposób z zachowaniem wszystkich wymogów bezpieczeństwa.
Parametry zasilacza modułowego Mean Well
- wymiary 159 x 97 x 30mm
- napięcie 12V DC
- napięcie wejściowe 100-240V/AC
- prąd wyjściowy 12,5A
- moc 150W
- zabezpieczenia zwarciowe, przeciążeniowe i przed wzrostem napięcia
- stopień ochrony IP20
- temperatura pracy -30 - 70ºC
- chłodzenie pasywne
- jakość profesjonalna
- 3 lata gwarancji
| Przewód RGB 4 x 0,35mm |

Przewód RGB to 4-żyłowy kabel, który doskonale sprawdzi się do połączenia wielokolorowych taśm LED. Posiada on 3 żyły
odpowiadające kolorom R - red (czerwony), G - green (zielony), B - blue (niebieski). Czwarta żyła to przewód zasilający w czarnym
kolorze. Przewód jest przekroju 4 x 0,35mm, dzięki czemu nie powoduje nadmiernych spadków napięć w instalacji. Wobec czego odcinki
mogą mieć o wiele większe dugości, nie powodując nierównomiernego świecenia taśmy.
Jeżeli w naszym sklepie nie widzą Państwo zestawu dla siebie, prosimy o kontakt mailowy bądź telefoniczny, a
stworzymy produkt specjalnie dla Was !
Polecam ten sklep zwłaszcza ze względu na niezwykle wysoki poziom profesjonalizmu. Listwy i taśmy ledowe zakupione u Pana Artura efektywnie, a zarazem subtelnie i praktycznie podkreśliły wszystkie atuty mieszkania. Jako klient zostałem obsłużony kompleksowo, bez konieczności zamawiania komponentów w innych sklepach.\nPan Artur każdy element dobiera indywidualnie, celnie podpowiada i zwraca uwagę na detale. Dlatego bez wahania zasługuje na najlepszą możliwą opinię.