15m zestaw schodowy-korytarzowy F25 COB WS2811 MONO 24V
KOMPLETNY ZESTAW SCHODOWY-KORYTARZOWY ZAWIERA:
- 2 x czujnik ruchu FS1 (kolor biały lub czarny - prosimy podać kolor przy składaniu zamówienia),
- pilot do konfiguracji + uchwyt ścienny na pilota,
W z e s t a w i e t a n i e j ! !
Przedmiotem sprzedaży jest kompletny zestaw schodowo-korytarzowy. Dzięki wykorzystaniu sterownika schodowo-korytarzowego
polskiej produkcji i taśmy cyfrowej uzyskają Państwo w prosty sposób bardzo efektowne animowane podświetlenie stopni schodów,
korytarza czy klatki schodowej. Stawiamy na wysokiej jakości produkty, dlatego też uzyskany efekt podświetlenia wzbudzi zachwyt.
STAWIAMY NA WYSOKIEJ JAKOŚCI PRODUKTY
ZAPEWNIANY DORADZCTWO I WSPARCIE W DOBORZE PRODUKTÓW
Efekt oferowanych produktów mogą Państwo zobaczyć na poniższym filime
⇓ ⇓ ⇓
| Taśma LED cyfrowa COB WS2811 MONO 24V |
![pasek-tasma-led-ws2811-24v-03[2].jpg](https://studio-led.pl/upload/l1920/zrzut_ekranu_2023-04-04_160528.jpg)
Taśmy cyfrowe to najnowsze osiągnięcie w dziedzinie oświetlenia LED.
Dzięki zastosowaniu mikroprocesorów sterujących, każda sekcja na taśmie LED może być sterowana zupełnie niezależnie.
Dzięki temu możemy uzyskać niespotykane dotąd programy dynamiczne, statyczne, płynące pixele, animacje oraz
wiele innych możliwości.
Zastosowanie taśm cyfrowych jest wręcz nieograniczone, a my posiadamy niezbędną wiedzę, oraz zaplecze techniczne, które pozwala
dopasować nasz produkt do Państwa potrzeb. Na bazie taśm cyfrowych oraz modułów można stworzyć np. tablice, zabudowy, matryce
Led w obudowie z poliwęglanu lub plexi.
Nasz produkt doskonale sprawdzi się zarówno w domu, jak i lokalach gastronomicznych, salach weselnych, dyskotekach, klubach,
sklepach i innych.
Parametry taśmy cyfrowej LED COB WS2811
|
Ilość diod SMD |
420 CHIPS/m |
|
Zasilanie |
24V DC |
|
Moc |
14W/m |
|
Procesory sterujące |
WS2811 |
|
Barwa światła |
Neutralna (4000k) |
|
Strumień świetlny |
1000 lm/m |
|
Klasa szczelności |
IP20 |
|
Podłoże |
białe PCB, warstwa samoprzylepna 3M 200MP |
|
Możliwosć cięcia |
co 10cm |
|
Kąt świecenia |
180o |
|
Trwałość |
ok. 50 000 godzin |
|
Certyfikaty |
CE, RoHs |
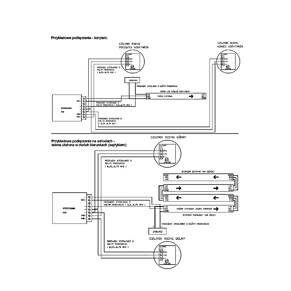
| Sterownik schodowo-korytarzowy |
Posiada wiele efektów dynamicznych (płynące kolory, tęcze, rozwijane/zwijane schodki itp.) oraz statycznych (możemy uzyskać efekt
pojedynczo zapalających się stopni). W zestawie ze sterownikiem znajdują się dwie czujki ruchu FS1, które zamiennie
włączają/wyłączają oświetlenie.
Główne zalety sterownika schodowo-korytarzowego F25 to bardzo łatwy montaż (taśma cyfrowa połączona w szeregu + dwie czujki
podłączone do sterownika) oraz bardzo przyjazna konfiguracja za pomocą dotykowego pilota (ustawiamy szerokość oraz ilość stopni,
wybieramy program dynamiczny/statyczny, prędkość, czas działania, kolor, natężenie oświetlenia).
Parametry sterownika schodowo-korytarzowego F25
- Wymiary: 60 x 84 x 30 mm
- Napięcie zasilania: 5...24V
- Funkcja animowanego podświetlania schodów (rozwijające się stopnie)
- Funkcja animowanego podświetlania korytarzy (rozwijająca się linia)
- obsługa 1000 pikseli (50 metrów taśmy cyfrowej 12V 60diod/metr)
- współpracuje z czujnikami ruchu
- animacja odtwarzana jest zgodnie z kierunkiem poruszania się osoby
- funkcja stałego podświetlenia przy braku ruchu osób
- sterowanie pilotem
- częstotliwość pracy pilota: 2.4GHz, zasilany bateriami 2 x AAA
Odbiciowy czujnik ruchu FS1 (2 szt. w zestawie ze sterownikiem)
- wykrywa osoby wchodzące na schody bądź przechodzące korytarzem
- czujnik wykorzystuje niezawodny sensor odbiciowy firmy Sharp
- regulacja czułości zadziałania (odległości na jaką ma reagować)
- lepsze działanie niż popularny sensor PIR
- przystosowany do montażu w puszce instalacyjnej 60mm (na wkręty)
| Zasilacz modułowy Mean Well ERPF 400-24 |

Parametry zasilacza modułowego Mean Well 400-24
|
NAPIĘCIE WEJŚCIOWE |
100-240 V/AC |
|
NAPIĘCIE WYJŚCIOWE |
24V/DC |
|
PRĄD |
16,7A |
|
MOC |
400W |
|
WYMIARY |
220.4 x 130 x 48 mm |
|
ZABEZPIECZENIA |
zwarciowe, przeciążeniowe, wzrost napięcia,przegrzanie |
|
STOPIEŃ OCHRONY |
IP20 |
|
TEMPERATURA PRACY |
-30÷60°C |
|
WAGA |
1100g |
|
TYP OBUDOWY |
METALOWA |
|
CERTYFIKATY |
CE, ROHS |
| Przewód RGB 4 x 0,35mm |

Przewód RGB to 4-żyłowy kabel, który doskonale sprawdzi się do połączenia wielokolorowych taśm LED. Posiada on 3 żyły
odpowiadające kolorom R - red (czerwony), G - green (zielony), B - blue (niebieski). Czwarta żyła to przewód zasilający w czarnym
kolorze. Przewód jest przekroju 4 x 0,35mm, dzięki czemu nie powoduje nadmiernych spadków napięć w instalacji. Wobec czego odcinki
mogą mieć o wiele większe długości, nie powodując nierównomiernego świecenia taśmy.
Tutaj pobierzesz instrukcje sterownika F25 (kliknij)
UWAGA
Jeśli nie znalazłeś intersującego cię zestawu, skontaktuj się z nami, a pomożemy ci dobrać wszystkie komponenty (taśmy, sterowniki , zasilacze oraz profile).
Wykonujemy również usługę lutowania przewodów i przygotowywania odcinków na konkretny wymiar (indywidualna wycena).
Polecam ten sklep zwłaszcza ze względu na niezwykle wysoki poziom profesjonalizmu. Listwy i taśmy ledowe zakupione u Pana Artura efektywnie, a zarazem subtelnie i praktycznie podkreśliły wszystkie atuty mieszkania. Jako klient zostałem obsłużony kompleksowo, bez konieczności zamawiania komponentów w innych sklepach.\nPan Artur każdy element dobiera indywidualnie, celnie podpowiada i zwraca uwagę na detale. Dlatego bez wahania zasługuje na najlepszą możliwą opinię.