Profil LED P24-1 hermetyczny nawierzchniowy srebrny anodowany
1mb profilu aluminiowego P24-1 srebrnego anodowanego
Profil LED P24-1 to doskonałe rozwiązanie zarówno do montażu wewnątrz, jak i na zewnątrz. Ten profil został specjalnie zaprojektowany dla taśmy LED, która może być narażona na kontakt z wodą. Profil P24-1 posiada stopień ochrony IP67, zapewniający wodoszczelność.
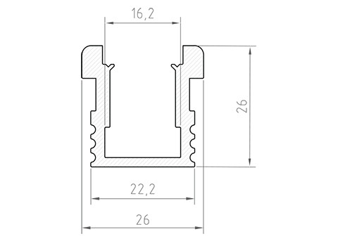
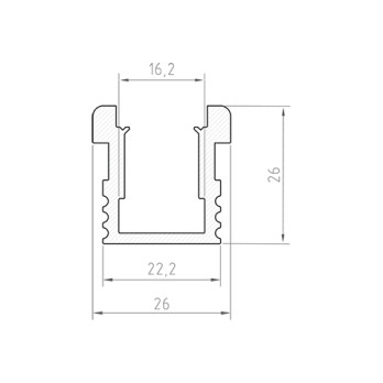
Ten wszechstronny profil znakomicie sprawdzi się na podjazdach, chodnikach i parkingach. Wykonany z aluminium, ma wymiary 26 × 26 mm oraz szerokość taśmy LED wynoszącą 14 mm.

Wymiary:



Powiązane produkty
Polecam ten sklep zwłaszcza ze względu na niezwykle wysoki poziom profesjonalizmu. Listwy i taśmy ledowe zakupione u Pana Artura efektywnie, a zarazem subtelnie i praktycznie podkreśliły wszystkie atuty mieszkania. Jako klient zostałem obsłużony kompleksowo, bez konieczności zamawiania komponentów w innych sklepach.\nPan Artur każdy element dobiera indywidualnie, celnie podpowiada i zwraca uwagę na detale. Dlatego bez wahania zasługuje na najlepszą możliwą opinię.